Q41F德标法蘭球閥
Q41F德标法蘭球閥用于截斷或接通管路中的介質,選用不同的材質,可分别适用于水、蒸汽、油品、液化氣、天然氣、煤氣、硝酸、醋酸、氧化性介質、尿素等多種介質。
|
産品名稱: |
德标法蘭球閥 |
産品型号: |
Q41F |
|
公稱通徑: |
DN15~DN250 |
結構形式: |
球形 |
|
公稱壓力: |
10K-20K |
連接方式: |
法蘭 |
|
适用溫度: |
-20~+100℃~+550℃ |
驅動方式: |
手動、蝸輪、氣動、電動 |
|
閥體材質: |
鑄鋼、不鏽鋼 |
制造标準: |
國标GB、德國DIN、美國API、ANSI |
|
适用介質: |
水、蒸汽、燃氣、氣體及腐蝕性液體等 |
生産廠家: |
上海凱利科閥門有限公司 |
産品說明
Q41F德标法蘭球閥用于截斷或接通管路中的介質,選用不同的材質,可分别适用于水、蒸汽、油品、液化氣、天然氣、煤氣、硝酸、醋酸、氧化性介質、尿素等多種介質。德标球閥具有很小的轉動力矩就能關閉嚴密。完全平等的閥體内腔爲介質提供了阻力很小、直通的流道。德标球閥的主要特點是本身結構緊湊,易于操作和維修,适用于水、溶劑、酸和天然氣等一般工作介質,而且還适用于工作條件惡劣的介質,如氧氣過氧化氫、甲烷和乙烯等。
産品标準
設計标準Design: DIN 3357 EN 12516-1
壁厚标準Wall Thickness: ASME B16.34 EN 12516-1
防火标準Fire Safe: API 307 ISO 10497
結構長度Face to Face: DIN 3202
法蘭标準End Flange: DIN EN 1092-1
檢測标準/Inspection & Testing: DIN 3230 EN 12266
産品特點
閥杆帶有防靜電設置 Ante-Static Devices For Ball-Stem-Body
閥杆帶有防脫出裝置設計 Blow-out Proof stem
鋼球球槽上有洩壓孔設計 Pressure Balance Hole in Ball Slot
采用Iso 5211 支架安裝執行器平台設計
Built in ISO 5211 Bracket Mount For Easy Automation
主要材料表
|
名稱 |
材質 |
|
ANSI/JIS/DIN |
ANSI/JIS/DIN |
ANSI/JIS/DIN |
|
閥體 |
A351-CF8M/SCS14A/1.4408 |
A351-CF8/SCS13A/1.4308 |
A216-WCB/SCPH2/1.0619 |
|
閥蓋 |
A351-CF8M/SCS14A/1.4408 |
A351-CF8/SCS13A/1.4308 |
A216-WCB/SCPH2/1.0619 |
|
球 |
SUS316 |
SUS304 |
|
六角螺母 |
A194-8 |
|
彈性墊片 |
SUS304 |
|
密封圈 |
PTFE/VITON |
|
閥座 |
PTFE/RPTFE/PPL |
|
閥杆 |
SUS316 |
SUS304 |
|
O型圈 |
FKM(VITON) |
|
止推墊 |
PTFE/RPTFE |
|
填料 |
PTFE/GRAFOIL |
|
蝶簧 |
SUS304 |
|
閥杆螺母 |
A194-8 |
|
填料壓蓋 |
SUS304 |
|
手柄 |
SUS201 |
|
定位杆 |
SUS304 |
|
内六角圓柱頭螺釘 |
SUS304 |
|
六角螺母 |
A194-8 |
|
雙頭螺栓 |
A193-B8 |
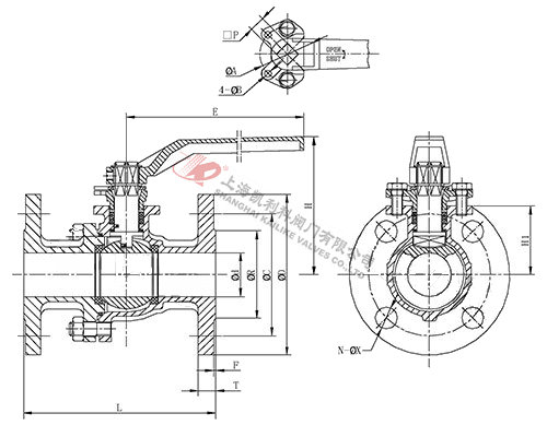
外形結構圖
外形尺寸表
|
Size |
PN |
d |
L |
R |
C |
D |
H |
H1 |
E |
F |
T |
□P |
ø A |
ØB |
N |
ØX |
ISO 5211 |
|
DN15 |
10-40 |
15 |
115 |
45 |
65 |
95 |
78 |
34 |
150 |
2 |
14 |
11 |
42 |
4 |
4 |
14 |
F04 |
|
DN20 |
10-40 |
20 |
120 |
58 |
75 |
105 |
80 |
35 |
150 |
2 |
16 |
11 |
42 |
4 |
4 |
14 |
F04 |
|
DN25 |
10-40 |
25 |
125 |
68 |
85 |
115 |
88 |
45 |
150 |
2 |
16 |
11 |
42 |
4 |
4 |
14 |
F04 |
|
DN32 |
10-40 |
32 |
130 |
78 |
100 |
140 |
100 |
50 |
170 |
2 |
16 |
14 |
50 |
5 |
4 |
18 |
F05 |
|
DN40 |
10-40 |
38 |
140 |
88 |
110 |
150 |
122 |
60 |
230 |
3 |
16 |
17 |
70 |
6 |
4 |
18 |
F07 |
|
DN50 |
10-40 |
50 |
150 |
102 |
125 |
165 |
130 |
68 |
230 |
3 |
18 |
17 |
70 |
6 |
4 |
18 |
F07 |
|
DN65 |
10-16 |
65 |
170 |
122 |
145 |
185 |
148 |
86 |
230 |
3 |
18 |
17 |
70 |
6 |
4 |
18 |
F07 |
|
DN80 |
10-16 |
78 |
180 |
138 |
160 |
200 |
167 |
96 |
305 |
3 |
20 |
22 |
102 |
8 |
8 |
18 |
F10 |
|
DN100 |
10-16 |
100 |
190 |
158 |
180 |
220 |
188 |
117 |
305 |
3 |
20 |
22 |
102 |
8 |
8 |
18 |
F10 |
|
DN125 |
10-16 |
125 |
325 |
188 |
210 |
250 |
246 |
141 |
500 |
3 |
22 |
22 |
125 |
10 |
8 |
18 |
F12 |
|
DN150 |
10-16 |
150 |
350 |
212 |
240 |
285 |
288 |
172 |
650 |
3 |
22 |
27 |
125 |
10 |
8 |
22 |
F12 |
|
DN200 |
10-16 |
200 |
400 |
268 |
295 |
340 |
329 |
213 |
850 |
3 |
24 |
27 |
125 |
10 |
12 |
22 |
F12 |
|
DN250 |
10-16 |
250 |
450 |
320 |
355 |
405 |
396 |
255 |
1400 |
3 |
26 |
36 |
140 |
14 |
12 |
26 |
F14 |
聲明:【Q41F德标法蘭球閥】規格型号、結構尺寸由上海凱利科閥門有限公司提供,如何選擇适用的Q41F德标法蘭球閥産品,使之在工藝控制中安全可靠、經濟适用,可緻電我司銷售部門及技術部門,我們将在最短的時間内爲您解答! |